网站首页
关于我们
资质证书
产品中心
新闻资讯
客服中心
联系方式
产品中心
PRODUCTS
尚朋
产品系列
直流减速电机
直流钢管电机
永磁直流减速电机
轴流风机
直流钢管电机
—
SP06R-B 直流电机
返回列表
型号及含义
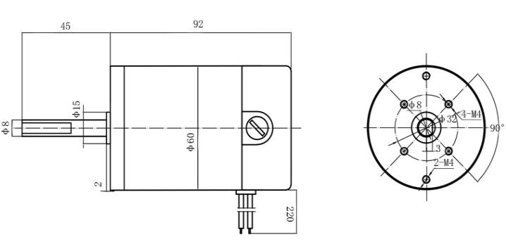
外形及安装尺寸
技术参数
网站首页
关于我们
资质证书
产品中心
新闻资讯
客服中心
联系方式
全国联系电话:0577-62666767
传真:0577-62055288
手机:13736321666
邮箱:sapenvip@163.com
地址:浙江省乐清经济开发区纬十二路268号
尚朋电气
© 2019 浙江尚朋电气有限公司 all right reserved.
浙ICP备19041758号-1